Dek-D.com ใช้คุกกี้เพื่อพัฒนาประสบการณ์ของ
ผู้ใช้ให้ดียิ่งขึ้น เรียนรู้เพิ่มเติมที่นี่
ยอมรับ

ท้าวัดความรู้ "ว่าที่วิศวกร" อย่างคุณ แน่แค่ไหนลองเลย!

แนวข้อสอบ PAT 3 ความถนัดด้านวิศวกรรมศาสตร์ 10 ข้อ

แนวข้อสอบ PAT 3 ความถนัดด้านวิศวกรรมศาสตร์ 10 ข้อ ...อ่านเพิ่ม
กด "Like" เพื่อติดตามควิซเด็ดน่าเล่น
Dek-D's Quiz
กำลังคำนวณผลลัพธ์
1 จากวงจรดังรูป กระแส I มีค่าเท่าใด
2 จากรูป จะอ่านค่าได้เท่าใด
3 มานอมิเตอร์น้ำ ใช้วัดความดันของเหลวชนิดหนึ่ง ดังรูป โดยกำหนดให้ของเหลวมีความถ่วงจำเพาะเท่ากับ 0.8 จงหาความดันของเหลว ณ จุด A
4 เรือขนาดกว้าง 0.5 เมตร ยาว 1 เมตร สูง 0.5 เมตร จะสามารถบรรทุกคนที่มีน้ำหนักเท่ากับ 60 กิโลกรัม ได้อย่างมากที่สุดกี่คนจึงจะไม่ทำให้เรือลำนี้จม กำหนดให้มวลของเรือเท่ากับ 40 กิโลกรัม
5 จากระบบท่อ ซึ่งมีของไหลไม่มีความหนืดไหลผ่าน จงเลือกภาพที่แสดงตำแหน่งของไหลที่ปรากฏในท่อความดันที่ถูกต้อง
6 รถบรรทุก 10 ล้อ มีการกระจายน้ำหนักที่เพลา ดังรูป แรงปฏิกิริยาของตอม่อ B จะเป็นเท่าใด
7 ข้อใดกล่าวถึงคุณสมบัติของคลื่นได้ถูกต้อง
8 เฟือง A, B, C ขบกันดังรูป เฟือง A, B และ C มีรัศมีเท่ากับ 5, 10 และ 20 ซ.ม. ตามลำดับ ถ้าเฟือง A หมุนด้วยอัตราเร็วเชิงมุมคงที่เท่ากับ 20 เรเดียนต่อวินาที เฟือง C จะมีอัตราเร็วเชิงมุมเท่าไร
9 เรือเล็กลากจูงเรือสินค้าโดยใช้สายเคบิลโลหะ จากการใช้งานพบว่าเกิดความเสียหายที่สายเคเบิล โดยเกิดฉีกขาดเนื่องจากแรงดึงที่ลากจูงเรือ หากต้องการแก้ปัญหาที่เกิดขึ้น ควรปฏิบัติอย่างไร
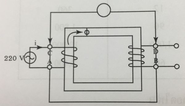
10 จากรูปเป็นการแสดงให้เห็นถึงการพันหม้อแปลง พิกัดแรงดัน 220/110 โวลต์ ถ้ามีการต่อสายไฟเชื่อมระหว่างจุด A และจุด B อยากทราบว่า ถ้านำโวลต์มิเตอร์มาวัดแรงดันระหว่างจุด C และจุด D จะวัดค่าได้เท่าไร
คุณตอบไม่ทัน!
กดปุ่มด้านล่างเพื่อเล่นข้อถัดไป